|
кокой лучше всего фототранзистор взять
|
|
Участник
23 сообщений
Мужчина
|
а как фотки вставлять 
8490748.jpg
(70.2 Kb)
|
|
|
|
|
|
Администраторы
571 сообщений
Мужчина
|
Quote (BUMBLEEBE) а как фотки вставлять Тут http://rassionrobots.ucoz.ru/forum/7-91-1 ЗЫ Ну ты даешь. У этих транзисторов надо только верхешку было отпилить. Он у тебя получится не направленный, т.е. если свет будет-бот поедет, и не на свет который отражается от предметов и т.п
|
|
|
|
|
|
Участник
23 сообщений
Мужчина
|
|
|
|
|
|
|
Администраторы
571 сообщений
Мужчина
|
Так то они будет реагировать на свет, а если на них еще надеть черную трубочку, то они будут направленно реагировать на свет 
|
|
|
|
|
|
Участник
23 сообщений
Мужчина
|
вот мой робот я только схему сделал но я ещё не подцепил фотоэлемент а моторчик работает что делать? и как подцепить самодельный фотоэлемент?
|
|
|
|
|
|
Участник
23 сообщений
Мужчина
|
вот мой робот я только схему сделал но я ещё не подцепил фотоэлемент а моторчик работает что делать? и как подцепить самодельный фотоэлемент? 
4043166.jpg
(142.3 Kb)
|
|
|
|
|
|
|
|
БЛОГГЕР
310 сообщений
Мужчина
|
я конечно слышел что на картоне можно паять но на фанере 
|
|
|
|
|
|
Администраторы
571 сообщений
Мужчина
|
Мог неправиль подсаединить детали, либо ты те контакты, где должен был стоять фотодатчик соединил. Так по рисункам трудно определить точно. 
|
|
|
|
|
|
Начальная группа
1798 сообщений
Мужчина
|
2BUMBLEEBE, лучше не отрывать крышки транзисторов, а только сверху стачивать, получается защита от засветки по сторонам и защита от повреждений.
|
|
|
|
|
|
Администраторы
3417 сообщений
Мужчина
|
nightmare, а еще лучше не крышку стачивать а бок, со стороны эмитера...или колектора, точно не помню 
|
|
|
|
|
|
Начальная группа
1798 сообщений
Мужчина
|
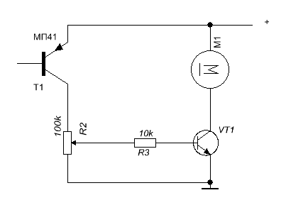
Quote и как подцепить самодельный фотоэлемент? 
0259774.gif
(2.3 Kb)
|
|
|
|
|
|
Модераторы
211 сообщений
Мужчина
|
Начинающим рекомендую только фототранзисторы. Потому что во-первых они как правило дешевле чем фотодиоды и тем более фоторезисторы. Во-вторых реакция на свет у фототранзистора на порядок выше чем у фототрезистора, а чувствительность значительно выше чем у фотодиода. Как правило импортные фототранзисторы рассчитаны для реакции на инфракрасное излучение, но и прекрасно реагируют на видимое (свет). Лучшим и самым дешёвым вариантом будут отечественные фототранзисторы марки ФТ2К. Фототранзистор конструктивно выполнен в металлическом цилиндрическом корпусе с двумя выводами эмиттер и коллектор. Тот что подлиннее-это коллектор. Фт2К-транзистор обратной проводимости, поэтому эмиттер подключают к минусу источника питания. Эти транзисторы очень чувствительны к инфракрасному излучению, можете провести эксперимент на расстоянии в несколько метров уже будет реагировать. Прекрасно видит отражённое излучение как от яркого светодиода видимого излучения, так и ик-излучения.
|
|
|
|
|
|
Администраторы
3417 сообщений
Мужчина
|
Характеристика ФТ-2К Droid, Чип и Дип ругается на поиск этого фт, нет его в продаже. Есть ли аналоги ?
|
|
|
|
|
|
Модераторы
211 сообщений
Мужчина
|
К сожалению про замену ничего сказать не могу. Этот фототранзистор активно производился в нашей стране лет 10 назад. Но у меня их, мягко говоря предостаточное кол-во. Есть ещё Фт1К-это тоже отечественный и тоже самое, но с мягкими (ввиде проводка) выводами.
|
|
|
|
|
|